随着无线充电技术在便携电子设备、物联网终端和电动交通工具中的广泛应用,系统在高效率、轻量化与高频工作能力方面提出了更高要求。其中串联(SS)补偿结构因其拓扑简单、调制方式清晰而在感应功率传输(IPT)系统中被广泛采用。但传统建模方法往往无法同时兼顾准确度和便捷度,难以准确描述多谐波成分对系统性能的影响,特别是在复杂系统中,建模误差显著增加,影响调制优化与软开关分析的精度。

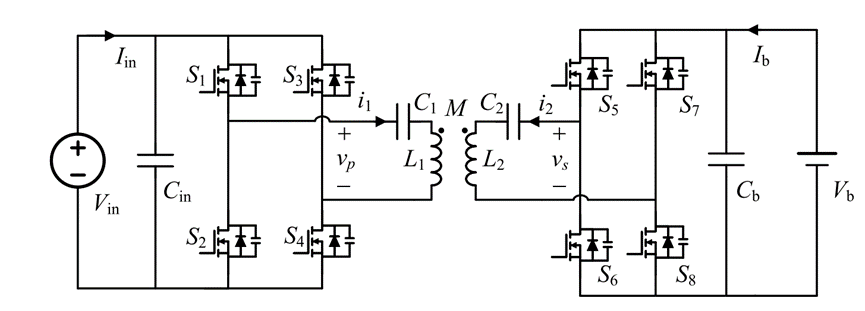
图1 SS补偿结构的IPT系统
为解决上述问题,上海科技大学信息科学与技术学院智慧电气科学中心王浩宇教授团队在SS补偿型IPT系统建模领域提出一种基于状态平面(state-plane)分析的频域建模新方法。该方法通过数学解耦耦合谐振网络,建立两个互不关联的等效串联谐振回路模型,并结合傅里叶级数展开获取各阶谐波分量的幅值与相位,从而兼具频域与时域建模优势。研究进一步构建了等效电路状态轨迹图,揭示了不同频率与相位条件下的开关电流行为和ZVS实现边界。

图2 解耦后的等效电路

图3 解耦后进行等效电路的状态平面分析

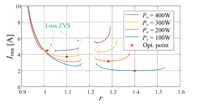
图4 不同功率下的电流有效值最低点
基于该建模框架,团队设计了一种优化调制策略,实现在全负载范围内开关器件的软开通,并最小化导通损耗与电流应力。在功率输出从100 W至400 W、功率增益比例从0.8至1.2的全工况条件下,系统均可实现ZVS开通,且所有MOSFET均处于低应力、高效率的工作状态。
为验证理论模型与优化策略的有效性,研究团队搭建了一套400 W、100 kHz的SS补偿型IPT实验样机。实验结果显示,模型对谐波成分、开关电流、功率输出的预测与实测高度一致。优化调制方案使系统在满载条件下实现高达95.61%的峰值效率,并在100 W输出时将系统总损耗从26.63 W显著降低至4.59 W。
该成果以“State-Plane-Based Frequency Domain Analysis and Optimal Design for SS Compensated IPT Systems”为题发表于 IEEE Transactions on Industrial Electronics 。上科大信息学院2023级硕士生吴宜涵为第一作者,王浩宇教授为通讯作者,上科大为第一完成单位。
论文链接:
https://ieeexplore.ieee.org/document/11077777



沪公网安备 31011502006855号


