近年来,随着5G 通信、大数据、人工智能、区块链、云计算等新兴信息技术的飞速发展,数据中心逐渐成为支持现代数字社会正常运转的关键基础设施。不断增长的算力需求导致数据中心的功耗急剧上升。为应对这一挑战,研究人员提出了新一代48V母线供电系统,将服务器的直流母线电压从12V提高到48V,以提升电能传输效率。然而,更高的母线电压要求板载电压调节模块(Voltage Regulator Modules,VRM)具备更高的降压比,这对48V VRM优化设计提出了更高的要求。

图1 新一代数据中心48V母线供电架构
近日,信息学院智慧电气科学中心(CiPES)王浩宇教授团队提出了面向48V数据中心应用的一种新型负载点功率变换方案,相关成果在电力电子领域国际期刊IEEE Transactions on Power Electronics上发表。
基于开关电容和串联谐振的混合型变换器
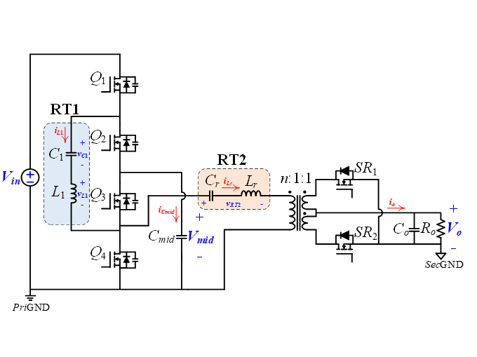
为了实现高降压比,48V VRM通常采用固定降压比的中间母线变换器(intermediate bus converter,IBC)进行初级降压,随后再利用负载点变换器将电压调节为负载所需的电压。对于前级IBC,传统的开关电容变换器存在元器件数量多、器件一致性要求高且成本高等问题,而基于变压器的变换器则面临磁性元件设计复杂的挑战。针对以上问题,该研究提出了一种混合型开关电容和串联谐振变换器,通过复用开关来减少元器件数量,且仅采用n:1匝比变压器实现4n:1的降压比。同时,串联谐振单元可以恒工作在谐振频率点,优化了效率并简化了磁设计。该方案具有软开关、电气隔离、电磁干扰小、结构简单、效率高等优势。

(a)

(b)
图2 (a)所提出的变换器拓扑结构 (b)设计的硬件样机
该研究成果以“A Switched-Capacitor and Series-Resonant Hybrid MHz DCX in Data Center Applications”为题发表在电力电子领域国际期刊IEEE Transactions on Power Electronics上。信息学院2022级博士研究生梁家伟为第一作者,王浩宇教授为通讯作者,上科大为第一完成单位。
论文链接:
https://ieeexplore.ieee.org/document/10584146


沪公网安备 31011502006855号


